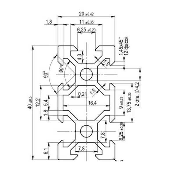
Станочный алюминиевый профиль 20х40, V-слот
Покрытие: без покрытия
Ширина паза: 6мм
Совместимость фурнитуры: 20-я серия
Продажа от 0,5 м и кратно 0,5, то есть -0,5; 1; 1,5; 2; 3 метра
Приобретенные профиль можно порезать по вашим размерам. Размеры указывайте в миллиметрах в комментарии к заказу.
При расчете длины детали учитывайте толщину диска пилы (по умолчанию 5мм).
К примеру: заказывая 1 метр профиля по факту вы получите деталь длиной 995мм или 2 детали длиной 495мм.








